Re: Вопросы и ответы 2019
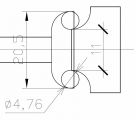
Что то я не вьезжаю, прорисовал чашку втулки и шарики, конус не лезит. Чашка диаметр 20.5, конус 11, шары 4,76. 
Салют Исправление пропеллера рамы Салюта "Олимпийка-79"
На xt.ht — я под ником Медведь Шатун
|
Крокодиловодство 2.0 |
Вы не вошли. Пожалуйста, войдите или зарегистрируйтесь.
Кроковод → Общие темы. Мастерская. Библиотека. Вопросы. → Вопросы и ответы 2019
Страницы Назад 1 … 53 54 55 56 57 … 171 Далее
Чтобы отправить ответ, вы должны войти или зарегистрироваться
Что то я не вьезжаю, прорисовал чашку втулки и шарики, конус не лезит. Чашка диаметр 20.5, конус 11, шары 4,76. 
Дык конус не лезит. И шаров промежуточных нет, 4 мм, следующий 4,76.
RomM, А что это Вы рисуете? Детали от разных комплектов? Может и не должно лезть.
В передних втулках, ка правило, применяются шары 5 мм (у нас) и 4,76 (у них). Конус наш, чашка буржуйская?
Втулка Joy Tech A173DSE:
Чашка 20.5мм
Шары 4.76мм
Диаметр дорожки качения на конусе ~12мм
??? в чём проблема
Riverdale,
дык, тупая арифметика против...
Чашка буржуйская, конус свежий, наш или не наш не известно. Зато родной конус тоже 11, это тот что с раковинами (правда ось у него 9 мм).
А проблема в профиле конуса — "стартоновский" в такую втулку не влезает,а родной имеет другой профиль. Вот и вся загадка.
апд. А советский "дорожный" конус под 8мм ось вполне влезает и дорожка на конусе на нужном месте.
illiberg30, ну типа просто Звезду сместить относительно шатуна
А откуда взялось 12 мм, если вычесть 2*4,76, то выходит 10,9, а конус на конце имеет 11 мм. Конус не стартоновский. Просто ось купил с конусами, вместо эксцентриковой.
RomM,
Представьте, как шарик катится по конусу. Мысленно вставьте вместо велосипедного "конуса"..кхм..настоящий "конус". Чем больше угол при его вершине — тем большим будет радиус дорожки качения.
Максимальный радиус дорожки качения будет достигнут при угле при вершине "конуса" 180 градусов, и составит 20.5 — 2*(4.76/2) = 15.74 мм. В этом случае подшипник будет работать не как "радиальный" а уже как "упорный".
У меня там выше чертежик набросан, в принципе конус влезет, но он разопрет подшипник. шарам то деваться не куда.
Riverdale, на картинке коллеги RomM показан диаметр ээ... верхнего среза усечённого конуса, а не дорожка.
Т.е. вы друг друга не понимаете, а я не понимаю, у кого ошибка в расуждениях или измерениях 
kisa,
Я как человек необразованный не стал гадать, а просто взял похожую втулку, три типа конусов, повертел в руках и всё понял 
Вот моя каракулина, лучше сейчас не нарисую
И к какому умозаключению вы пришли? Может я пихаю не впихуемое?
Тулил два конуса друг к другу, родной и новый, начальные диаметры одинаковые.
Страницы Назад 1 … 53 54 55 56 57 … 171 Далее
Чтобы отправить ответ, вы должны войти или зарегистрироваться
Кроковод → Общие темы. Мастерская. Библиотека. Вопросы. → Вопросы и ответы 2019