Re: Чертёжный кабинет

Может кто снять мерки со вставок в этот тормоз?
Чертёжный кабинет

Re: Чертёжный кабинет

Anastasia1992, если никто раньше не ответит, я завтра смогу. В гараже лежит, завтра как раз туда поеду.

Делай правильно и не делай неправильно © Лао-цзы

1

Re: Чертёжный кабинет

VaultDweller, спасибо, а то досталось без крепления тросика, теперь не знаю как быть

Re: Чертёжный кабинет

Anastasia1992, болт просверлить

Re: Чертёжный кабинет

Чертёжный кабинет

Spoiler

Чертёжный кабинет
Чертёжный кабинет
Чертёжный кабинет
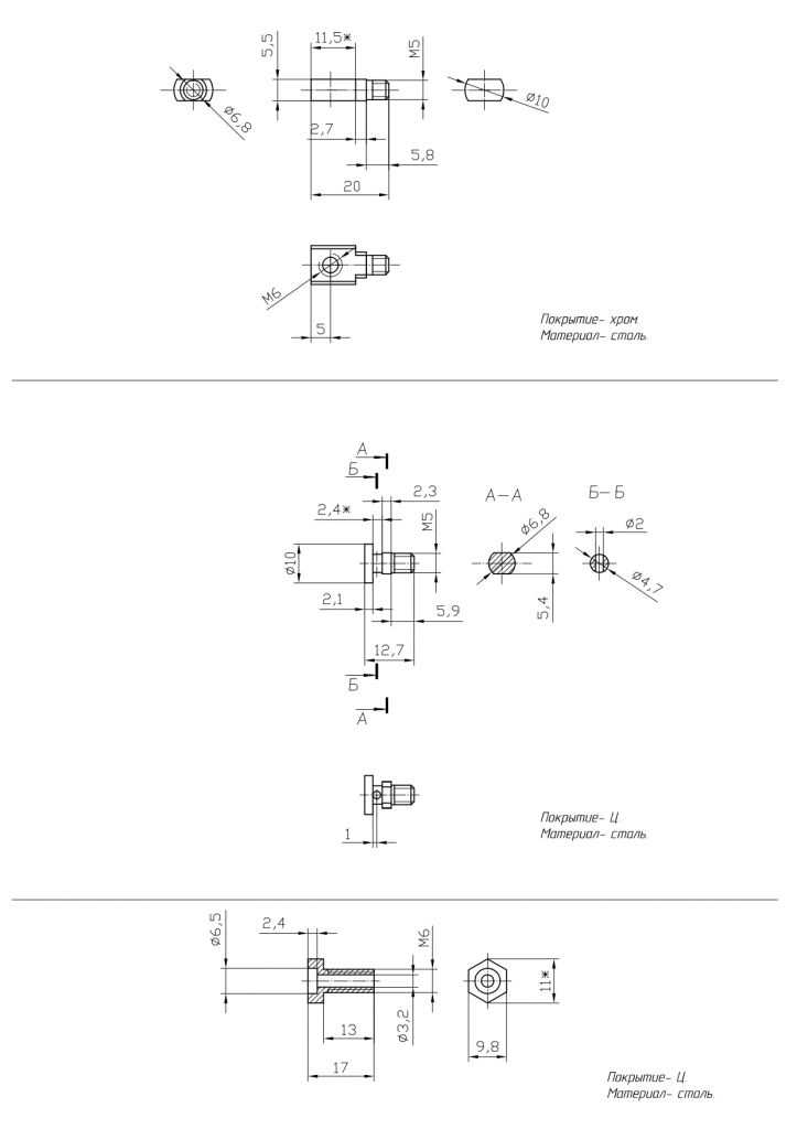
Болт м6, отверстие для тросика и чтобы не прокручивался соответствует отвести, на теле две лыски для удержания.
Верхний упор тросика можно применить такой как я поставил на передние барабанные
Чертёжный кабинет


Куплю ранний "телескоп"

Re: Чертёжный кабинет

Уважаемая Anastasia1992, Вам упор для тросика нужен? в товарах для мототехники продаются похожие штучки.

1

Re: Чертёжный кабинет

img/ag Тема — Чертёжный кабинет. Коллега справедливо именно здесь попросила эскиз конкретной детали, а не что делать с тормозом.

Мой гараж
Мастер спорта по езде за хлебушком на велосипеде.
Если не я построил велосипед — это не мой велосипед.

Re: Чертёжный кабинет

Да, она такая!  img/ag

Я тоже предложил прислать держатель для насоса.

Нет, говорит, давай чертёж развёртки!

«Зелёная Леди» • ЗИФ В-21В (1969 г.) | «Лисапетка» • ХВЗ В-555 (1971 г.)
«Чёрный Грач» • ХВЗ В-120 (1961 г.) | «Безымянный» • ХВЗ В-39 (1971 г.)

Re: Чертёжный кабинет

Длина болта зажимающего трос 12мм, шляпка высотой 1.5мм, диаметр шляпки 9мм. Резьба м6, длина резьбовой части 6мм.

Куплю ранний "телескоп"

2

Re: Чертёжный кабинет

Тёзка, а там лыски же ещё?

Мой гараж
Мастер спорта по езде за хлебушком на велосипеде.
Если не я построил велосипед — это не мой велосипед.

Re: Чертёжный кабинет

Я про них написал, размер не дал. Толщина тела на лысках 6.5мм

Куплю ранний "телескоп"

2

Re: Чертёжный кабинет

img/ag

Мой гараж
Мастер спорта по езде за хлебушком на велосипеде.
Если не я построил велосипед — это не мой велосипед.

Re: Чертёжный кабинет

Детали велотормоза  обычного клещевого тормоза советского дорожного велика. Это по фактическим замерам. Повторять 1:1 есть смысл только для "музея", а чтобы работало можно сделать проще, но это уже другая тема.

Чертёжный кабинет
detali_velotormoza.pdf  22.3 Кб  (22)
Чертёжный кабинет

3

Re: Чертёжный кабинет

Стальной шатун "под квадрат"Чертёжный кабинет

3

Re: Чертёжный кабинет

Коллеги, кто может помочь с чертежом звезды 48 зубьев под трехлапку с неспадающим профилем зубьев? (BCD 116). В простеньком дизайне как у В-541